CY62177ESL-55ZXI,32M 55NS,CYPRESS存儲器
2017-10-11 14:03:04
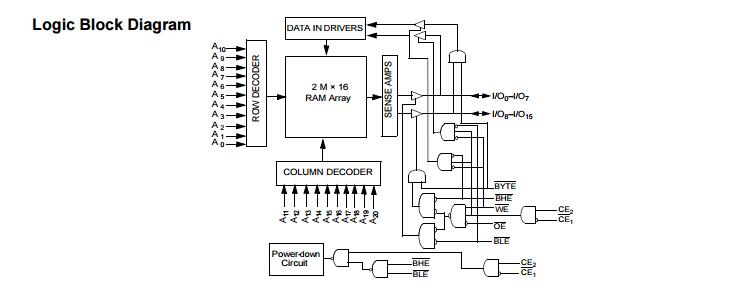
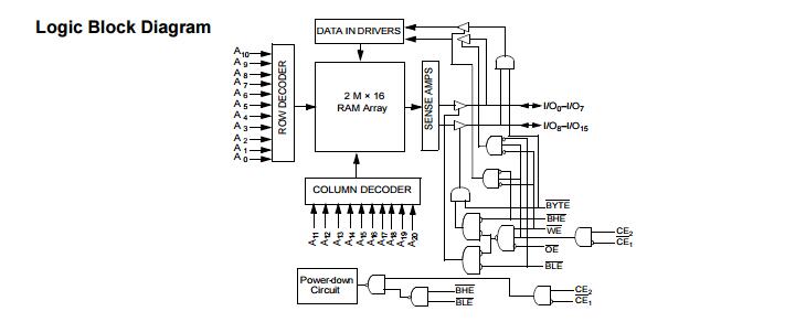
CY62177ESL-55ZXI
32-Mbit (2 M × 16/4 M × 8) Static RAM
Features
■ Thin small outline package-I (TSOP-I) configurable as
2 M × 16 or as 4 M × 8 static RAM (SRAM)
■ High-speed up to 55 ns
■ Wide voltage range: 2.2 V to 3.6 V and 4.5 V to 5.5 V
■ Ultra low standby power
? Typical standby current: 3 µA
? Maximum standby current: 25 µA
■ Ultra low active power
? Typical active current: 4.5 mA at f = 1 MHz
■ Easy memory expansion with CE1, CE2, and OE Features
■ Automatic power-down when deselected
■ Complementary metal oxide semiconductor (CMOS) for
optimum speed and power
■ Available in Pb-free 48-ball TSOP-I package
